首页
产品
三相电机
单相电机
减速机
风机
振动器
关于我们
常见问题
下载
新闻
联系我们
简体中文
English
العربية
首页
»
产品
»
风机
»
11-62
»
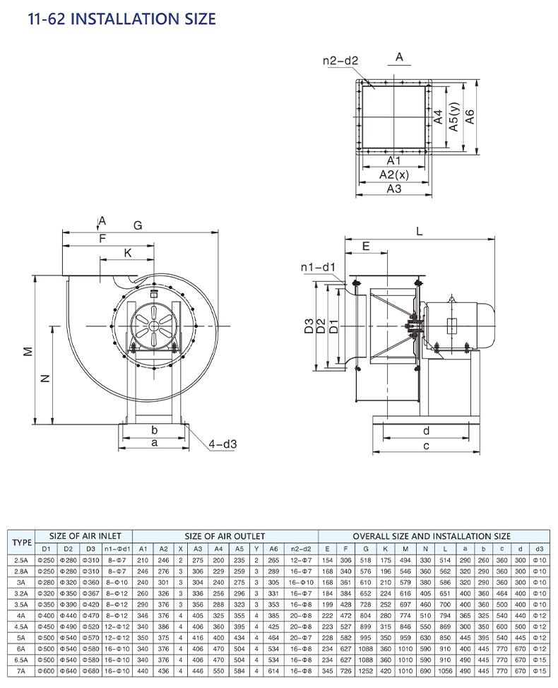
11-62 High Pressure Centrifugal Fan
loading
分享到:
11-62 High Pressure Centrifugal Fan
状态:
数量:
询价
加入询价篮
产品描述
上一条:
下一条:
11-62 High Pressure Centrifugal Fan
产品多元化
更能满足市场需求。
18267606759
eva8gd@hotmail.com
eva@good8goods.com
18267606759
减速电机+振动器
快速链接
首页
产品
关于我们
联系我们
常见问题
新闻
产品分类
三相电机
单相电机
减速机
振动器
风机
联系我们
提交
版权
2023
温岭市购德商贸有限公司.
浙ICP备2022029942号
. 技术支持
领动
.
网站地图